k8凯发国际

k8凯发国际

地址:中国 江苏 常州市新北区 漕河路2号 联系人:蒋先生 手机:18961119333 电话:88931122 传真:86-0519-83589002 邮箱:-

您当前所在的位置:k8凯发国际首页 > 装配件
嵌条日期:2019/8/12 11:08:44    浏览次数:6613    来源:本站

嵌条.jpg1 (2).jpg

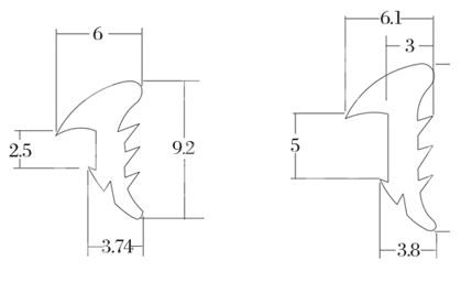
  产品名称:嵌条

  材料:塑料 PVC 黑色

  用途:

  嵌条条放入型材槽坑内后,可将有机玻璃等板材插入,起到缓冲,保护和密封等作用。

嵌条1.jpg


上一个:直角支架8080       下一个:平封槽条
相关标签 装配件
在线询盘
公司名称: *
联系人: *
联系电话: *
联系邮箱:
联系地址:
需求内容: *

Copyright ? k8凯发国际 - 苏ICP备19023434号-2   |  技术支持:酷点信息XML
sitemap网站地图
友情链接:优德88  FH至尊  pp电子  J9九游会  威廉希尔  新利体育(luck18)  k8凯发国际  利来国际w66ag旗舰厅  pp电子  九游会官网平台  k8凯发天生赢家  龙8-long8  永盈会  ug环球视讯  龙8-long8  k8凯发天生赢家  海洋之神官网  pp电子  bb电子  qy球友会